Задания
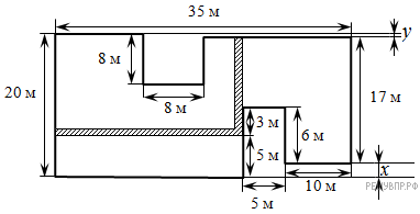
Версия для печати и копирования в MS WordНа рисунке изображён план сада.
Вдоль периметра сада нужно вырыть канаву. Какова будет длина канавы? Ответ дайте в метрах.
Решение.
Введём обозначения как показано на рисунке. Заметим, что длина x = 3 + 5 − 6 = 2 м. Тогда длина
20 + 35 + 8 + (8 − 1) + 17 + 10 + 5 + 6 + 3 + 5 + (35 − 5 − 10) = 136 м.
Ответ: 136.
Источник: РЕШУ ВПР

